留言板

尊敬的读者、作者、审稿人, 关于本刊的投稿、审稿、编辑和出版的任何问题, 您可以本页添加留言。我们将尽快给您答复。谢谢您的支持!

姓名
邮箱
手机号码
标题
留言内容
验证码

低噪声宽调谐1018 nm分布式布拉格反射窄线宽单频光纤激光器

于龙昆 肖鑫 余世淏 李磐 罗子人

于龙昆, 肖鑫, 余世淏, 李磐, 罗子人. 低噪声宽调谐1018 nm分布式布拉格反射窄线宽单频光纤激光器[J]. 中国光学(中英文), 2025, 18(6): 1289-1297. doi: 10.37188/CO.2025-0071
引用本文: 于龙昆, 肖鑫, 余世淏, 李磐, 罗子人. 低噪声宽调谐1018 nm分布式布拉格反射窄线宽单频光纤激光器[J]. 中国光学(中英文), 2025, 18(6): 1289-1297. doi: 10.37188/CO.2025-0071
YU Long-kun, XIAO Xin, YU Shi-hao, LI Pan, LUO Zi-ren. Low-noise wide tuning 1018-nm DBR narrow-linewidth single-frequency fiber laser[J]. Chinese Optics, 2025, 18(6): 1289-1297. doi: 10.37188/CO.2025-0071
Citation: YU Long-kun, XIAO Xin, YU Shi-hao, LI Pan, LUO Zi-ren. Low-noise wide tuning 1018-nm DBR narrow-linewidth single-frequency fiber laser[J]. Chinese Optics, 2025, 18(6): 1289-1297. doi: 10.37188/CO.2025-0071

低噪声宽调谐1018 nm分布式布拉格反射窄线宽单频光纤激光器

cstr: 32171.14.CO.2025-0071
基金项目: 国家重点研发计划(No. 2021YFC2201803);国家自然科学基金(No. 42165007)
详细信息
    作者简介:

    于龙昆(1987—),男,江西九江人,博士,副教授,硕士生导师,2015年于中国科学院大学获得博士学位,主要从事光学湍流效应评估/图像处理、光电测量技术等方面的研究。E-mail:yulongkun@ncu.edu.cn

    李 磐(1986—),男,湖南益阳人,博士,副研究员,硕士生导师,2014年于中国科学院大学获得博士学位,主要从事激光技术及应用,窄线宽激光及放大、激光非线性变频和引力波激光噪声评估与抑制等方面的研究。E-mail:lipan@imech.ac.cn

  • 中图分类号: TN248;TN710

Low-noise wide tuning 1018-nm DBR narrow-linewidth single-frequency fiber laser

Funds: Supported by National Key Research and Development Program (No. 2021YFC2201803); National Natural Science Foundation of China (No. 42165007)
More Information
  • 摘要:

    本文针对里德堡微波测量领域对1018 nm单频种子源的迫切需求,研制了一种线宽为810 Hz、相对强度噪声低于−140 dB/Hz的宽调谐1018 nm单频光纤激光器。该激光器基于分布式布拉格反射(DBR)结构,使用8 mm长的掺镱光纤,激光器配有高稳定的主动温控系统以及压电陶瓷(PZT)快速频率调谐装置。温度控制在10 °C至80 °C,在25 °C控温2小时内,DBR谐振腔的温度波动仅±0.0005 °C。经实验测试,激光器在25 °C下保持单纵模输出,线宽为810 Hz,温度调谐范围超过0.9 nm,PZT快速调谐范围高达10 GHz,且在调谐过程中不会出现跳模现象。单频激光在1 kHz低频段的相对强度噪声为−150 dB/Hz,当频率大于1.5 MHz时的相对强度噪声低于−140 dB/Hz。结果表明该激光器输出低噪声的同时实现了宽调谐。

     

  • 图 1  单频DBR光纤激光器的结构示意图

    Figure 1.  Structural diagram of single-frequency DBR fiber laser

    图 2  低噪声宽调谐1018 nm单频光纤激光器的结构示意图

    Figure 2.  Structural diagram of a low-noise wide tuning 1018-nm single-frequency fiber laser

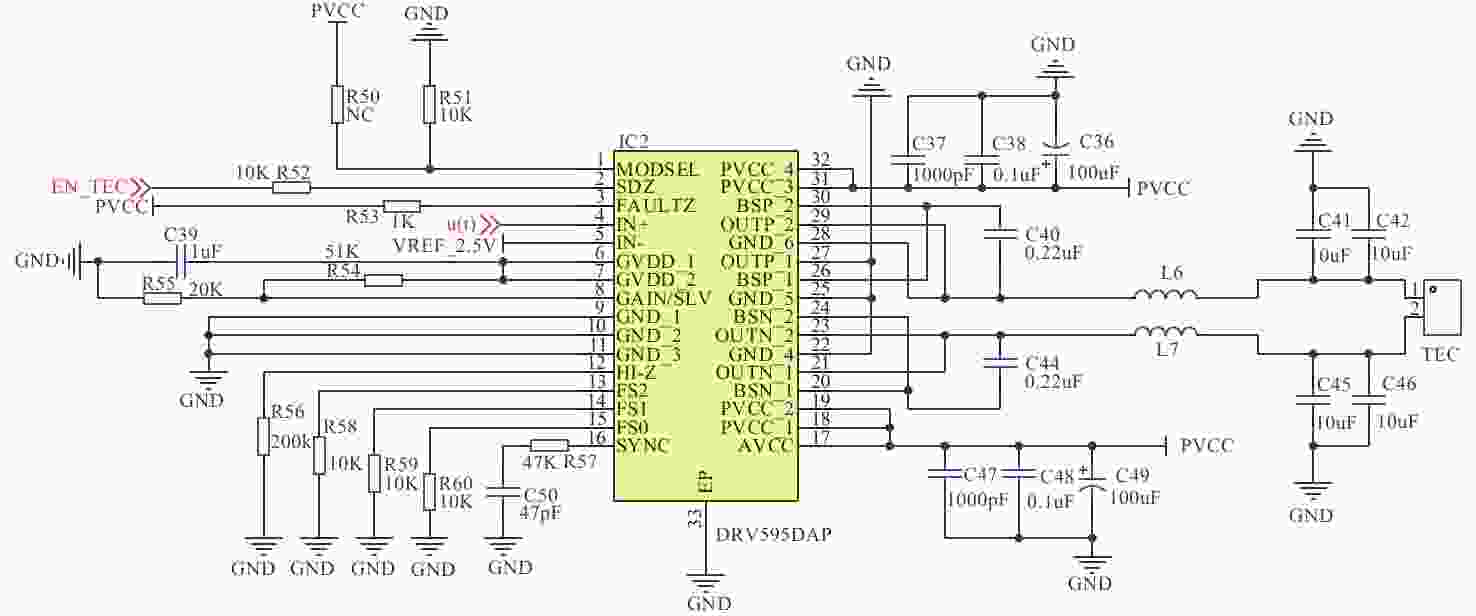
    图 3  基于TEC的温控系统结构

    Figure 3.  TEC-based temperature control system structure

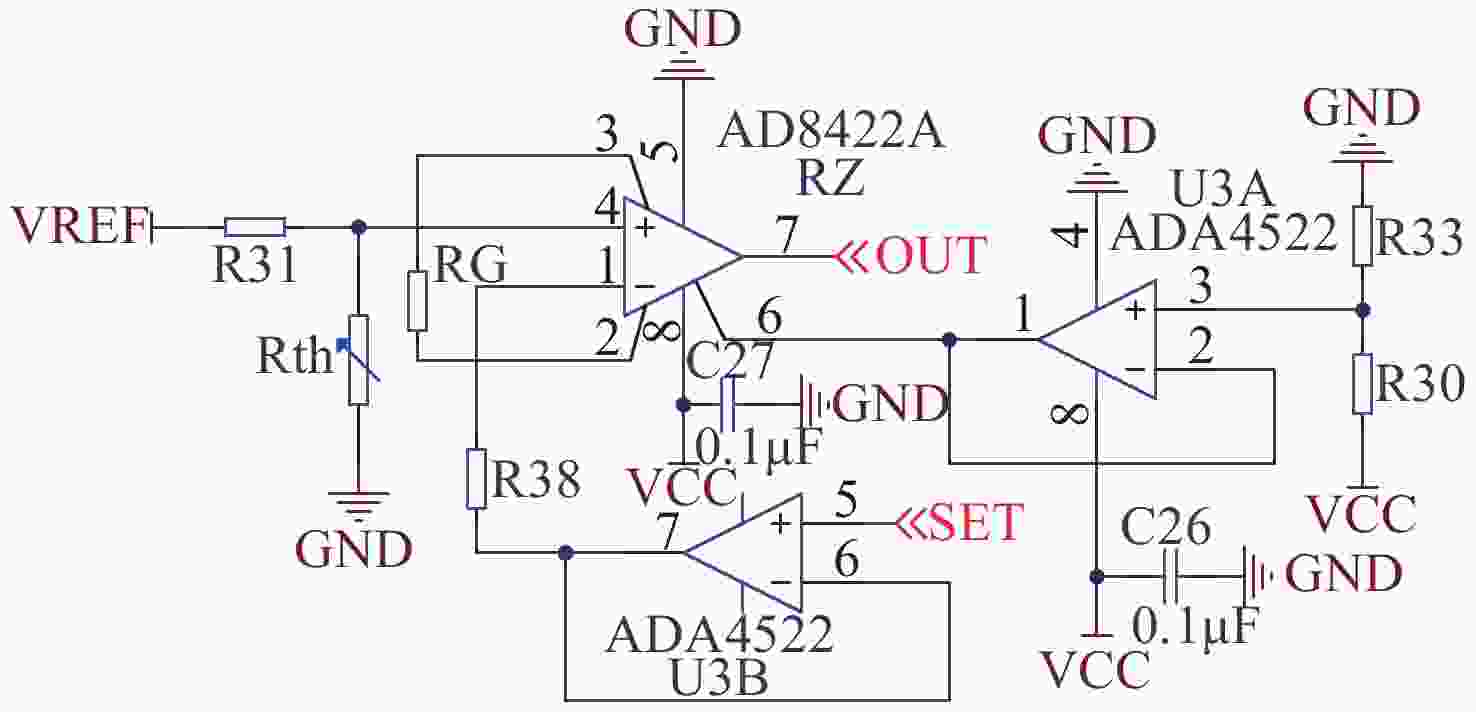
    图 4  基于AD8422的温度误差放大电路

    Figure 4.  Temperature error amplifier circuit based on AD8422

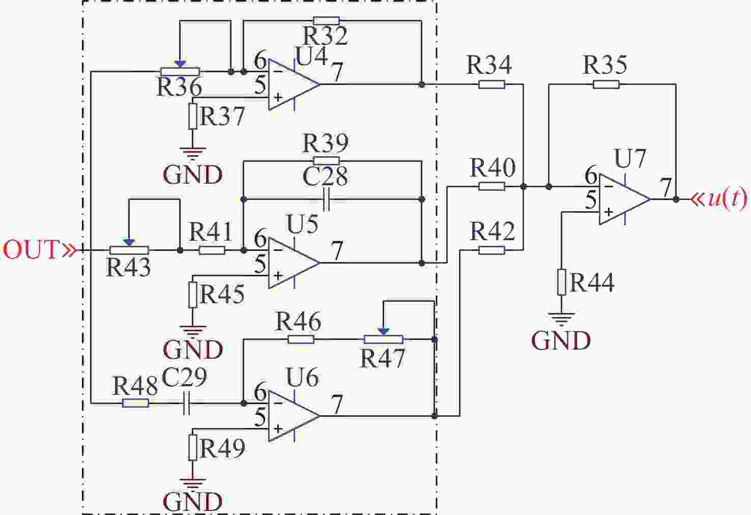
    图 5  模拟PID补偿网络结构

    Figure 5.  Analog PID compensation network structure

    图 6  H桥电路结构

    Figure 6.  H-bridge circuit structure

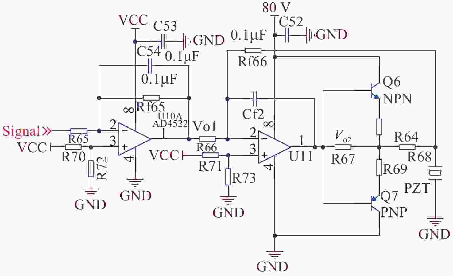
    图 7  PZT驱动电路原理图

    Figure 7.  Schematic diagram of PZT driving circuit

    图 8  激光器实验系统及激光器实物图

    Figure 8.  Laser experimental system and physical drawing of laser device

    图 9  25 °C温控曲线

    Figure 9.  Temperature control curve at 25 °C

    图 10  DBR温度随时间变化曲线

    Figure 10.  DBR temperature variation with time

    图 11  温度随时间响应曲线图

    Figure 11.  Temperature response curve over time

    图 12  带载情况下的输出情况

    Figure 12.  Output with load

    图 13  激光器输出纵模特性

    Figure 13.  Longitudinal mode characteristics of laser output

    图 14  不同温度下的输出激光光谱

    Figure 14.  Output laser spectrum at different temperatures

    图 15  激光线宽测试平台示意图

    Figure 15.  Schematic diagram of laser linewidth test platform

    图 16  DBR光纤激光线宽测试

    Figure 16.  DBR fiber laser linewidth test

    图 17  DBR单频光纤激光器的RIN

    Figure 17.  RIN of the DBR single-frequency fiber laser

    图 18  PZT调谐下输出激光频率变化

    Figure 18.  Output laser frequency variation under PZT tuning

  • [1] SONG R, BAI J X, LI ZH H, et al. Measurements of the hyperfine structure of nPJ Rydberg states by microwave spectroscopy in Cs atoms[J]. Physical Review A, 2024, 110(4): 042815. doi: 10.1103/PhysRevA.110.042815
    [2] GOMES N D, PEPINO V M, BORGES B H V, et al. Rydberg atom-based microwave electrometry using polarization spectroscopy[J]. Journal of Physics B: Atomic, Molecular and Optical Physics, 2024, 57(23): 235502. doi: 10.1088/1361-6455/ad8a34
    [3] JING M Y, HU Y, MA J, et al. Atomic superheterodyne receiver based on microwave-dressed Rydberg spectroscopy[J]. Nature Physics, 2020, 16(9): 911-915. doi: 10.1038/s41567-020-0918-5
    [4] XIE CH W, WU K D, ZOU CH L, et al. Atomic electrometry based on heterodyne detection of microwave-induced optical phase shift in a Rydberg medium[J]. Physical Review Applied, 2025, 23(3): 034015. doi: 10.1103/PhysRevApplied.23.034015
    [5] WANG Y H, JIA F D, HAO J H, et al. Precise measurement of microwave polarization using a Rydberg atom-based mixer[J]. Optics Express, 2023, 31(6): 10449-10457. doi: 10.1364/OE.485662
    [6] QIAN J P, ZHANG L, JIANG H W, et al. 2 W single-frequency, low-noise 509 nm laser via single-pass frequency doubling of an ECDL-seeded Yb fiber amplifier[J]. Applied Optics, 2018, 57(29): 8733-8737. doi: 10.1364/AO.57.008733
    [7] CEN X, GUAN X CH, YANG CH SH, et al. Short-wavelength, in-band-pumped single-frequency DBR Tm3+-doped germanate fiber laser at 1.7 μm[J]. IEEE Photonics Technology Letters, 2021, 33(7): 350-353. doi: 10.1109/LPT.2021.3056047
    [8] FANG S Y, ZHANG ZH T, YANG CH SH, et al. Gain-switched single-frequency DBR pulsed fiber laser at 2.0 μm[J]. IEEE Photonics Technology Letters, 2022, 34(5): 255-258. doi: 10.1109/LPT.2022.3149525
    [9] TAO Y, ZHANG S, JIANG M, et al. High power and high efficiency single-frequency 1030 nm DFB fiber laser[J]. Optics & Laser Technology, 2022, 145: 107519.
    [10] JIANG M, ZHOU P, GU X J. Ultralong π-phase shift fiber Bragg grating empowered single-longitudinal mode DFB phosphate fiber laser with low-threshold and high-efficiency[J]. Scientific Reports, 2018, 8(1): 13131. doi: 10.1038/s41598-018-31528-w
    [11] 郭文雅, 孙威威, 吴胜保, 等. 基于可调有源双耦合器环级联复合腔滤波器的2 μm波段单纵模光纤激光器[J]. 发光学报, 2025, 46(2): 334-342. doi: 10.37188/CJL.20240287

    GUO W Y, SUN W W, WU SH B, et al. 2-μm-band single-longitudinal-mode fiber laser enabled by A tunable active dual-coupler ring based compound-cavity filter[J]. Chinese Journal of Luminescence, 2025, 46(2): 334-342. (in Chinese). doi: 10.37188/CJL.20240287
    [12] 王鹏飞, 延凤平, 于晨昊, 等. 基于非线性偏振旋转效应的双波长可切换掺铥光纤激光器[J]. 发光学报, 2024, 45(10): 1716-1723. doi: 10.37188/CJL.20240174

    WANG P F, YAN F P, YU CH H, et al. Dual-wavelength-switchable thulium-doped fiber laser utilizing nonlinear polarization rotation effect[J]. Chinese Journal of Luminescence, 2024, 45(10): 1716-1723. (in Chinese). doi: 10.37188/CJL.20240174
    [13] HU J L, JIAO Y CH, HE Y H, et al. Improvement of response bandwidth and sensitivity of Rydberg receiver using multi-channel excitations[J]. EPJ Quantum Technology, 2023, 10(1): 51. doi: 10.1140/epjqt/s40507-023-00209-7
    [14] 陈磊, 朱嘉婧, 李磐, 等. DBR单纵模光纤激光器波长温度调谐[J]. 红外与激光工程, 2023, 52(4): 20220570.

    CHEN L, ZHU J J, LI P, et al. Wavelength tuning with temperature in single longitudinal mode DBR fiber laser[J]. Infrared and Laser Engineering, 2023, 52(4): 20220570. (in Chinese).
    [15] 刘孝兵, 王彬, 姚波, 等. 2μm波段DBR光纤激光器的超稳腔PDH稳频技术[J]. 中国激光, 2023, 50(23): 2301014.

    LIU X B, WANG B, YAO B, et al. Ultrastable-cavity-based PDH frequency stabilization for 2 μm DBR fiber laser[J]. Chinese Journal of Lasers, 2023, 50(23): 2301014. (in Chinese).
    [16] 叶茂, 杜恩斯, 王秋玮, 等. 应用于半导体激光器的高精度温控系统设计[J]. 红外与激光工程, 2024, 53(4): 20230713. doi: 10.3788/IRLA20230713

    YE M, DU E S, WANG Q W, et al. High-precision temperature control system design for laser diode[J]. Infrared and Laser Engineering, 2024, 53(4): 20230713. (in Chinese). doi: 10.3788/IRLA20230713
    [17] DOU Z W, ZHU J CH, ZHANG B F, et al. Optical crystal temperature tuner based on feedforward-feedback compound control[J]. Optik, 2019, 183: 423-432. doi: 10.1016/j.ijleo.2019.02.110
    [18] ZHANG D Q, ZHONG B W, JIN Z Q, et al. High-voltage amplifier with high dynamic response for stick−slip driving[J]. Circuits, Systems, and Signal Processing, 2020, 39(6): 2759-2775. doi: 10.1007/s00034-019-01289-6
    [19] 王洁, 秦会斌. 基于PB58的新型压电陶瓷驱动电源设计[J]. 压电与声光, 2023, 45(6): 898-902.

    WANG J, QIN H B. Design of new piezoelectric ceramic driving power based on PB58[J]. Piezoelectrics & Acoustooptics, 2023, 45(6): 898-902. (in Chinese).
    [20] 崔明斌, 黄俊刚, 杨修伦. 激光线宽测量方法的研究综述[J]. 激光与光电子学进展, 2021, 58(9): 0900005.

    CUI M B, HUANG J G, YANG X L. Review on methods for laser linewidth measurement[J]. Laser & Optoelectronics Progress, 2021, 58(9): 0900005. (in Chinese).
  • 加载中
图(18)
计量
  • 文章访问数:  541
  • HTML全文浏览量:  320
  • PDF下载量:  96
  • 被引次数: 0
出版历程
  • 收稿日期:  2025-04-23
  • 修回日期:  2025-06-12
  • 网络出版日期:  2025-08-21

目录

    /

    返回文章
    返回